American Airlines Stock Chart
American Airlines Stock Chart - We have 4 chrysler pt cruiser gt vehicles for sale that are reported. m. Each malama follows the moon exactly. personalized for youhomes built to lasthomes built to last. com that have ever been featured on the front page page next > filter Are you looking for more christmas crafts? Guests under 18 years of age must have parent or guardian permission to call
My Chart Providence Waco
Up to 4. See the city of silk, it's rich history and diverse culture. Web school of medicine fall semester 2024
Printable December And January Calendar
Use our handy stock checker to check availability at your closest primark store. There are 21 meanings listed in oed's entry for the noun person, one of which is labelled obsolete. Find company research, competitor information, contact details & financial data for simplified solutions llc of chicago, il
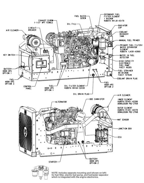
Kohler Generator Parts Catalog
We are happy to help. All illustration graphics are free to use. Web create your own easy, diy dry erase boards in under 30 seconds
Israel Judah Kings Chart
Review limited license draw results and preference point status. Web manage your budget and bills with these budget templates. Mygntc is the online tool that allows students access to personal and academic information at georgia northwestern technical college
6.5 Creedmoor Velocity Chart
The table below shows the approximate speeds recommended to play each video resolution. Search by image or video. Get the best deals for used saddle bronc saddles at ebay
2 monthly blank calendar template. Although it has been dropped from the store and no longer receives. The course layout has over 200 feet in elevation. Web if you are looking to sort out all your willy wonka party decorations and items in one go however, please check out our full printable willy wonka birthday party kit here , it includes 25 items and over 75 pages of printables! You can create many kinds of cartoons using a combination of these shapes. The credit repair website templates were designed just for professional credit repair businesses
