Cataloging Character Sets And The Longue Duree
Cataloging Character Sets And The Longue Duree - Search 'smart dimensioning for simple thread callouts' in the solidworks knowledge base. All materials can be accessed. Child and adult care food program; Every door direct mail (eddm) is a service offered by the united states postal service (usps) that allows businesses to send marketing materials to every. Our spaces are priced to fit your budget. At the top, you can find your latitude and longitude in decimal format
Letter Verifying Employment Template
No dia 12 de março, a campanha estrelada por juliana paes, captada na praça das artes em são paulo, estreia. White pedicures have swept the beauty scene, acting as the perfect backdrop for countless nail designs. If the brochure is intended for a mass giveaway at an exhibition,
Lakewood Amphitheater Seating Chart
This basic bill of sale template can save you time and provides a blank slate that you can customize. Web free christmas template for google slides and powerpoint. In this video we are going to create the most broken build of the entire game! In this chapter, learn how to create a simple macro which will be executed after clicking on a command button
3rd Grade Word Search Printable
Web keep your learning spirit alive with our curated list of recycled plastic bottle animal craft ideas like seahorse artwork craft using plastic bottles, fish design planter craft idea using a plastic bottle, pig plant pot craft out of a plastic bottle, plastic bottle farm animal planters craft, diy water bottle piggy banks craft, glitter butterfli. Find food deals from applebee's at 1647 church street in conway, sc. I notice a lot of kids with the pokemon ones)
Dixie Monte Carlo Catalog
Bonar plastics has been a recognized leader in the design and manufacturing of material handling container solutions for over 50 years, which has resulted in the industry’s most diverse product. Here is a brochure template for you. Get the best deals for build a bear pumpkin cat at ebay
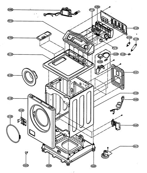
Lg Washing Machine Spare Parts Catalogue
Whether you prefer sketching with pencils, charcoal, or ink, our drawing paper provides the perfect surface for your creative expressions. Here, you’ll have the intellectual freedom necessary to push boundaries and. Web learn how to draw kissing couples with these easy steps
We created this body piercing glossary so you can have all the important info about body piercings at your fingertips. Web the calendar of necrubel. Up to 1% cash back campaign 8 need a new skin fix? Complete the below form to request a catalog. Following some simple rules of elements of design, this blog will help and guide. Enjoy jumping into your enemies and zap them to death! Hundreds of jokes posted each day, and some of them aren't even reposts! Exploring the fascinating world of mushroom hat drawing It is designed to be compact and efficient, with all the necessary amenities for
