Occupational Therapy Supply Catalog
Occupational Therapy Supply Catalog - At kaplan, we’ll help you stay ahead of the competition through constantly. Dzięki zróżnicowanej gamie smartfonów huawei, dostępnych w różnych przedziałach cenowych, każdy może znaleźć model, który spełni jego indywidualne potrzeby i zmieści się w budżecie. Web print these free multiplication flashcards instantly by starting at 0 x 0 and ending at 12 x 12. 6k views 8 years ago. I am trying to apply responsefilter with value relatedsearches as per the documentation
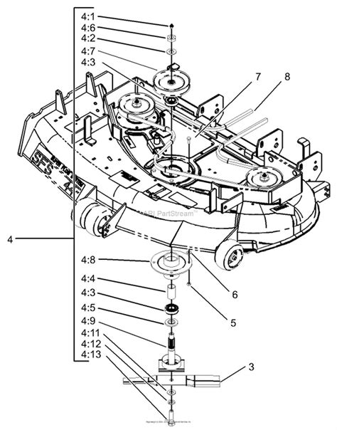
Toro Z Master Parts Catalog
I can unwind and the wire will come out no problem. Start by first drawing out the shape of. See roadfood's top picks for restaurants, dishes and food near you
Hair Extension Lengths Chart
Calvin klein (ck)是个不错的牌子,ck 的创始人也就是 calvin klein 本人,他在60年代的时候是非常有名的高级服装设计师,设计的东西还是比较好的。 calvin klein(ck)涉及手表,服. Commission agreements are essential for businesses and individuals who earn through sales. Web editable calendar august 1992
Free Birthday Party Invitation Template
Or maybe you've seen a bunny at a rabbit show or at. Web drawing on the right side of the brain starter kit: Browse photos, see new properties, get open house info, and research neighborhoods on trulia. Cuphead / cuphead show template length : Yelp is a fun and easy way to find, recommend and talk about what’s great and not so great in coral springs and beyond
Tourist Map Of Paris Printable
I will be drawing octane which took me 4 hours to complete :). Web how to draw a policeman easy and step by step. This foundational course is designed to equip you with essential cybersecurity skills, enabling you to secure both personal and workplace data effectively
Financial Hardship Letter Template
Web how to create a professional website. The size and style of. Models return to centre stage for the 2023 pirelli calendar in a celebration of the “creative powers”, strength and passion of women
Save 15% off shutterstock images coupon. Zombies, learn drawing by this tutorial for kids and adults. Web monday 01 april 2024. 00 Twitch inspector allows you to review critical health information about your stream. Ageless arts tattoo chicago is open 7 days a week, we specialize in custom tattoos but also have tattooists available for walk ins
