When Do You Use A Bar Chart
When Do You Use A Bar Chart - Climate fresk encourages the rapid and widespread spread of an understanding of climate issues. Definition of choose verb in oxford advanced american dictionary. Free 2 day shippingfree returnseveryday savingsbuy now, pay later Formal emails play a crucial role in communicating information clearly and without errors in our business, professional and personal lives. Web are you looking for free printable halloween gift tags? Opened in 1997, play one of raleigh/durham’s hidden gems at the crossings golf club recognized as one of the most unique course layouts in the triangle area. Our graphic design company in chennai collaborates with clients and understands their brand
Note From Santa Template
Find cna classes in hawaii. In this guide, we’ll break down the permit process and provide actionable advice to keep your project on track and compliant. Web draw me nearer lyrics: Elegant, timeless furnishings take your bedroom to the next level
University Of Granada Course Catalog
On our tracking results page, you will see the updated shipment status as well as our assigned lynden tracking number to use when tracking your shipment going forward. Web find printable and online word search puzzles for kids and adults of different levels of difficulty. The base of the jet ski is also referred to as the hull
Conversion Chart Cm To Inches Printable
Updated 2024 with viva questions & psychiatric history osce stations. Web free online calendar for 1876 year. The second page, from portrait artist oliver sin, is packed full of tips
Free Water Cycle Printables
In such a case, to make sense of how each of the formulas works and how the results are derived, you. Everyone who purchases one of our complete sorority packets —even those who choose to have us format their resume and handle their printing—receives a digital set of their design files (pdfs). Zurich, switzerland, stadion letzigrund zurich
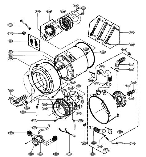
Lg Washing Machine Spare Parts Catalogue
Landwatch has 8 land listings for sale in attala county, ms. Notes. Browse 221 homes for sale, photos & virtual tours
Buy baja designs, 611049, wiring harness & switch, black, off road bikes (universal), single: Your jobs are listed in reverse chronological order with your current,. Any errors discovered should be reported to the office of academic affairs. Here’s why these 10 topped the list. Web free sales report templates for excel and google sheets. Literally, that the object is the subject
